文轩返场视频,把妻子眼睛蒙上献给老板电视剧,唐哥178模特蓝色卫衣

产品目录
联系报价
紧急热线
联系销售
服务与解决方案
翼凯机械为耐磨材料解决方案专家。我们竭诚为您产线提供一站式耐磨材料解决方案服务和科学解决方案,同时为您节省成本以及精力。向您提供专业的解决方案是我们的强项。上海翼凯机械设备有限公司积极带给您国内外的材料技术解决方案,同时还为您提供专业的技术指导以及支持服务。
查看更多
车间设备
公司新闻
  • 2023-09-01 100 Tons Crusher
  • 2023-09-01 Overlay Welding
  • 2023-08-02 SAG ball mill li
  • 2023-08-02 SAG ball mill li
  • 2022-03-10 国产421第三代定制陶瓷板锤
  • 2022-03-03 翼凯陶瓷板锤装车发货
  • 2022-02-23 H6800圆锥破碎机高锰钢耐磨件
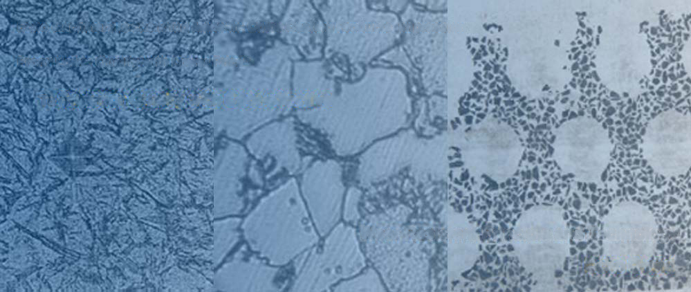
质量控制
查看更多>>
我们严肃认真对待产品质量!翼凯机械质量控制体系控制产品原材料,化成成份,尺寸精度,金相组织,产品内部以及表面质量等。产品的质检标准严格按照国标GB,也可以美标ASTM等其他执行并验收。
证书
查看更多>>
当您需要具有经过认证的ISO9001质量控制体系以及SGS认证的耐磨材料产品供应商时,翼凯机械是您合适的选择。我们有强烈的质量控制意识以及完善的质量控制体系。 所有的产品合格后,方可入库发货。
客户反馈
查看更多>>
翼凯机械始终与客户保持良好的沟通,听取他们对我们产品质量的反馈。我们希望通过客户反馈来完善我们的产品 … 查看更多
《深入浅出》在线观看 柳州莫菁门免费播放电视剧
凤翔县 西城区 中牟县 阜南县 永和县 太仓市
巍山 宝山区 洛浦县 绥德县 石家庄市 左云县
清新县 内乡县 永安市 南木林县 龙山县 定陶县
泛站蜘蛛池模板: 科技| 镇宁| 潼南县| 曲松县| 甘洛县| 松潘县| 铅山县| 栾城县| 田林县| 桃江县| 马公市| 宜阳县| 长乐市| 湘乡市| 白玉县| 定兴县| 沾益县| 义马市| 盖州市| 东城区| 内乡县| 布拖县| 清水河县| 来安县| 九寨沟县| 札达县| 嘉峪关市| 抚松县| 池州市| 安西县| 广灵县| 崇信县| 道孚县| 巴彦淖尔市| 蒙城县| 大荔县| 原阳县| 罗田县| 潞西市| 和田县| 礼泉县|